Inspection
Work Planning

This is some text inside of a div block
Valve Labeling Case Study
Case Study • Industrial Automation

Automated Valve Labeling at Enterprise Scale

A systematic approach to labeling 15,000+ manual valves across 270 P&IDs, reducing a 3-month manual process to 14 days with zero errors.

15,237
Valves Labeled
270
P&IDs Processed
14
Days Completed
Faster Delivery

01Overview

A major industrial facility utilizing Intelligent Drawing Platform (IDP) required sequential numbering for all manual valves across their operation. This labeling system was critical for operational procedures and lockout tagout (LOTO) safety protocols.

The traditional approach would have required 3-4 months of manual drafting work, with high risk of errors and inconsistencies. Our automated solution delivered complete, accurate results in 14 business days.

02Challenge

Resource Constraints

Limited drafting resources necessitated a programmatic solution. Manual entry of 15,000+ valve identifiers would have consumed 480-640 person-hours, with error rates typically exceeding 2% in similar manual operations.

Technical Requirements: Each P&ID required independent sequential numbering starting from 001. The system needed to identify and label six valve types: gate, globe, ball, butterfly, needle, and 3-way valves.

03Technical Approach

1

Valve Identification

IDP's pattern recognition algorithms identified all manual valve instances across 270 P&IDs. The system differentiated between valve types and excluded automated control valves from the labeling scope.

Output: 15,237 valves identified
2

Identifier Mapping

Sequential numbers were algorithmically assigned per drawing, with automated validation ensuring no duplicates or gaps in the numbering sequence.

Output: Validated mapping table
3

Automated Insertion

Programmatic insertion into AutoCAD masters as symbol attributes, organized in dedicated layers for operational flexibility.

Output: 270 updated P&IDs

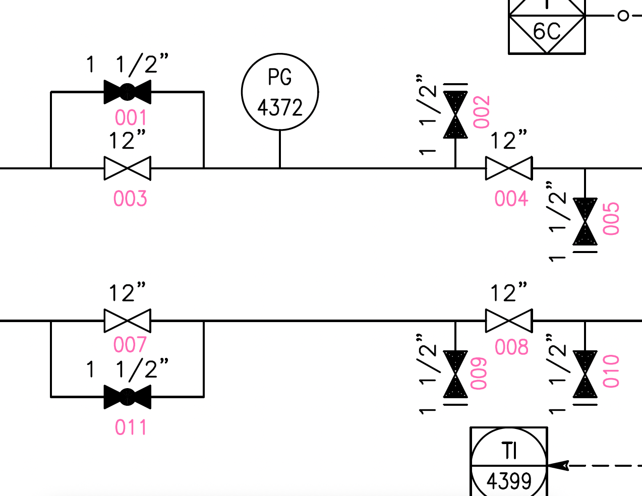
04Visual Impact: Before & After

What You're Seeing: These actual P&ID excerpts show manual valves in a gas processing system. Pink sequential labels (001, 002, 003, etc.) were programmatically added to each valve.

BEFORE - No Valve Labels
P&ID Before - Manual valves without identification labels
AFTER - With Sequential Labels
P&ID After - Manual valves with sequential identification labels

Operational Impact

Before labeling, procedures would state: "Close the valve downstream from vessel 6C before the temperature indicator." After labeling, the same procedure reads: "Close valve 002." This precision eliminates confusion, reduces errors, and speeds up emergency response times.

Clear LOTO procedures"Lock out valves 003, 004, and 008" instead of descriptive text
Faster maintenanceTechnicians locate valves instantly using unique IDs
Reduced training timeNew operators reference valve numbers, not complex descriptions
Emergency responseCritical valves identified immediately in shutdown procedures
Total Valves Processed
0
Gate Valves Globe Valves Ball Valves Butterfly Valves Needle Valves 3-Way Valves

05Approach Comparison

Traditional Method

  • Manual identification across 270 drawings
  • 3-4 month timeline
  • ~2% error rate expected
  • 480-640 person-hours required
  • Risk of numbering inconsistencies

Automated Solution

  • Pattern recognition identification
  • 14 business days completion
  • 0% error rate achieved
  • 60 person-hours total
  • Guaranteed sequential accuracy

Measurable Impact

87.5%
Time Reduction
100%
Accuracy Rate
Zero
Manual Errors

06Performance Metrics

MetricTraditionalAutomatedImprovement
Timeline112 days14 days8× faster
Person-Hours640 hours60 hours91% reduction
Error Rate~2%0%100% accuracy
Cost$48,000$4,50090.6% savings

Conclusion

The automated valve labeling solution demonstrates the transformative potential of intelligent drawing platforms in industrial operations. By leveraging existing P&ID intelligence, we achieved an 8× acceleration in delivery time while eliminating manual errors entirely.